清水計量表廠家,測量原水流量計,蓄水池原水流量表
點擊次數:2864 發布時間:2021-01-17 07:05:48
清水計量表抗干擾技術
1:微處理器系統電源電壓監視技術
電磁流量計中微處理器系統當電源瞬態欠壓,勵磁開關脈沖動作都會造成微處理器誤動作,數據丟失等現象,因此必須采用可靠的復位電路和電源電壓監視技術。簡單實用的方法是采用低成本電源配合高靈敏度的電源電壓監視器,提高微處理器系統和抗干擾能力。
2:同步采樣的頻度補償技術
同步采樣和工頻電源頻率監視補償技術,是提高抗流量信號電勢中混入工頻干擾和工頻電源頻率波動產生工頻干擾能力的有效方法。同步采樣技術,其采樣脈寬為工頻周期的整數倍,使流量信號電勢中工頻干擾平均值等于零,以消除工頻干擾的影響;工頻電源的頻率波動補償是保證頻率的動態波動中,勵磁電源和采樣脈沖得以同步調整,真正實現同步采樣技術和同步勵磁技術,同步A/D轉換,以降低工頻干擾的影響。
3:前置放大器的設計是提高抗干擾能力的*要環節
傳感器輸出流信號十分微弱,內阻抗較高,因此高輸出入阻抗、低漂移、低噪聲、高CRMM前置放大器才能滿足抗同相共模干擾的要求。前置放大器采用JFET高輸入阻抗電壓緩沖器,低漂移低噪聲減法器,精密電阻精心匹配組成儀用放大器,并采用輸入保護技術,共模電壓自舉技術和接地技術大大提高抗共模干擾的能力,抑制零點漂移的影響。
4:采用新型HCMOS系列芯片技術
采用74HC系列芯片技術較采用74LS系列芯片其低噪聲容限提高2.4倍,高燥聲容限提高2.1倍,智能電磁流量計整個硬件采用74HC系列芯片,不僅降低整個功耗,而且提高元器件本身抗干擾能力,為電源流量計小型輕量一體化奠定了基礎。
5:新型勵磁技術是提高智能電磁流量計抗干擾能力的重要手段
勵磁技術的發展,不僅減弱電極極化電勢、泥漿干擾、流動噪聲的影響,又能改變工頻干擾的形態,便于同步采樣技術處理工頻干擾噪聲,以避免工頻干擾的影響。目前電磁流量傳感器采用工頻頻率同步三值低頻矩形勵磁和雙頻矩形波勵磁,從而提高整個抗干擾能力,提高測量精度和可靠性。

清水計量表產品特點
1、管道內無可動部件,無阻流部件,測量中幾乎沒有附加壓力損失。
2、測量結果與流速分布、流體壓力、溫度、密度、粘度等物理參數有關。
3、在現場可根據用戶實際需要在線修改量程。
4、高清晰度背光LCD顯示,全中文菜單操作,使用方便,操作簡單,易學易懂。
5、采用SMD器件和表面貼裝(SMT)技術,電路可靠性高。
6、采用16位嵌入式微處理器,運算速度快,精度高,可編程頻率低頻矩形波勵磁,提高了流量測量的穩定性,功耗低。
7、全數字量處理,抗干擾能力強,測量可靠,精度高,流量測量范圍可達150:1。超低EMI開關電源,適用電源電壓變化范圍大,抗EMI性能好。
8、內部具有三個積算器可分別顯示正向累計量及差值積算量,內部設有不掉電時鐘,可記錄16次掉電時間。(選配)
9、具有 RS485、RS232、Hart和Modbus等數字通訊信號輸出。(選配)
10、具有自檢與自論斷功能。
11、紅外手持操作器,115KHZ通訊速率,遠距離非接觸操作轉換器所有功能。(選配)
12、小時總量記錄功能,以小時為單位記錄流量總量,適用于分時計量制。(選配)
清水計量表產品概述
電磁流量計依據法拉*電磁感應定律的工作原理來測量導電液體體積流量的儀表,是流體力學和電磁學結合的產物。作為流量測量高精度儀表,其應用遍及冶金、給水、排水、石油、化工、食品、醫療、環保、農業灌溉等部門。
電磁流量計在外觀和組裝方式,還是在內部結構,都做了新的突破:棱角分明的外觀,快裝無焊接工藝,磁場分布更優的合理化結構。同時還引進了噴鋅工藝,即使在苛刻的環境下,仍能長效地保護流量計的管體表面,表面防腐性能優越,測量管內無阻流部件,無壓損,直管段要求低。對漿液測量有獨特的適應性
采用16位嵌入式微處理器,運算速度快,精度高,可編程頻率低頻矩形波礪磁,提高了流量測量的穩定性,功耗低,采用SMD器件和表面貼裝(SMT)技術,電路可靠性高,在現場可根據用戶實際需要在線修改量程,更好地與采集終端匹配,測量結果與流體壓力,溫度、密度、粘度等物理參數無關,高清晰度背光LCD顯示,全中文菜單操作,使用方便,操作簡單,易學易懂。

清水計量表的主要技術數據
清水計量表如何正確選型
儀表的選型是儀表應用中非常重要的工作,有關資料表明,儀表在實際應用中有2/3的故障是儀表的錯誤選型或錯誤的安裝而造成的,請特別注意。
收集數據:
1.被測流體成份
2.*大流量、*小流量
3.*高工作壓力
4.*高溫度、*低溫度
被測流體必須具備一定的導電性,導電率>5μS/CM
*大流量和*小流量必須符合下表中的數:

實際*高工作壓力必須小于流量計的額定工作壓力。
*高工作溫度和*低溫度必須符合流量計規定的溫度要求。
確定是否有負壓情況存在。
您可以根據上表中的流量選擇相應的流量計,若所選擇的流量計的內徑與現在工藝管道的內徑不符,應進行縮管或擴管。
若管道進行縮管,應考慮由于縮管引起的壓力損失是否會影響工藝流程。
從產品價格考慮,可以選擇較小口徑的流量計,相對減少投資。
測潔凈水時,經濟流速時1.5-3m/s,測易結晶的溶液時,應適當地提高流速,3-4m/s為宜,起到自清掃,防止粘附沉積等作用;測礦漿等磨耗性流體時,應適當降低流速,1.0-2m/s為宜,以降低對內襯和電極地磨損。實際應用很少超過7m/s,超過10m/s則更為罕見。
清水計量表選型表

清水計量表安裝地點的選擇
為了使電磁流量計工作穩定可靠,在選擇安裝地點時應注意以下幾方面的要求:
1.盡量避開鐵磁性物體及具有強電磁場的設備(大電機、大變壓器等),以免磁場影響傳感器的工作磁場和流量信號。
2.應盡量安裝在干燥通風之處,避免日曬雨淋,環境溫度應在-20~+60℃,相對濕度小于85%。
3.流量計周圍應有充裕的空間,便于安裝和維護。
安裝建議
電磁流量計的測量原理不依賴流量的特性,如果管路內有一定的湍流與漩渦產生在非測量區內(如:彎頭、切向限流或上游有半開的截止閥)則與測量無關。如果在測量區內有穩態的渦流則會影響測量的穩定性和測量的精度,這時則應采取一些措施以穩定流速分布:
a. 增加前后直管段的長度;
b. 采用一個流量穩定器;
c. 減少測量點的截面。
水平和垂直安裝
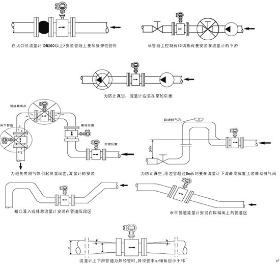
傳感器可以水平和垂直安裝,但是應該確保避免沉積物和氣泡對測量電極的影響,電極軸向保持水平為好。垂直安裝時,流體應自下而上流動。
傳感器不能安裝在管道的*高位置,這個位置容易積聚氣泡。
確保滿管安裝
確保流量傳感器在測量時,管道中充滿被測流體,不能出現非滿管狀態。 如管道存在非滿管或是出口有放空狀態,傳感器應安裝在一根虹吸管上。
彎管、閥門和泵之間的安裝
為保證測量的穩定性,應在傳感器的前后設置直管段,其長度由下圖給出。如做不到則應采用穩流器或減小測量點的截面積。
傳感器不能安裝在泵的進水口
為避免負壓,傳感器不能安裝在泵的進水口,而應安裝在泵的出水口。
傳感器的進口直管段和出口直管段
比較理想的安裝地點應選擇測量點前后有足夠的直管段。進口直管段應≥5D,出口直管段≥3D(D為傳感器公稱口徑)。
插入式進口直管段應≥ 20 D , 出口直管段≥7D(D為傳感器公稱口徑)。

1:微處理器系統電源電壓監視技術
電磁流量計中微處理器系統當電源瞬態欠壓,勵磁開關脈沖動作都會造成微處理器誤動作,數據丟失等現象,因此必須采用可靠的復位電路和電源電壓監視技術。簡單實用的方法是采用低成本電源配合高靈敏度的電源電壓監視器,提高微處理器系統和抗干擾能力。
2:同步采樣的頻度補償技術
同步采樣和工頻電源頻率監視補償技術,是提高抗流量信號電勢中混入工頻干擾和工頻電源頻率波動產生工頻干擾能力的有效方法。同步采樣技術,其采樣脈寬為工頻周期的整數倍,使流量信號電勢中工頻干擾平均值等于零,以消除工頻干擾的影響;工頻電源的頻率波動補償是保證頻率的動態波動中,勵磁電源和采樣脈沖得以同步調整,真正實現同步采樣技術和同步勵磁技術,同步A/D轉換,以降低工頻干擾的影響。
3:前置放大器的設計是提高抗干擾能力的*要環節
傳感器輸出流信號十分微弱,內阻抗較高,因此高輸出入阻抗、低漂移、低噪聲、高CRMM前置放大器才能滿足抗同相共模干擾的要求。前置放大器采用JFET高輸入阻抗電壓緩沖器,低漂移低噪聲減法器,精密電阻精心匹配組成儀用放大器,并采用輸入保護技術,共模電壓自舉技術和接地技術大大提高抗共模干擾的能力,抑制零點漂移的影響。
4:采用新型HCMOS系列芯片技術
采用74HC系列芯片技術較采用74LS系列芯片其低噪聲容限提高2.4倍,高燥聲容限提高2.1倍,智能電磁流量計整個硬件采用74HC系列芯片,不僅降低整個功耗,而且提高元器件本身抗干擾能力,為電源流量計小型輕量一體化奠定了基礎。
5:新型勵磁技術是提高智能電磁流量計抗干擾能力的重要手段
勵磁技術的發展,不僅減弱電極極化電勢、泥漿干擾、流動噪聲的影響,又能改變工頻干擾的形態,便于同步采樣技術處理工頻干擾噪聲,以避免工頻干擾的影響。目前電磁流量傳感器采用工頻頻率同步三值低頻矩形勵磁和雙頻矩形波勵磁,從而提高整個抗干擾能力,提高測量精度和可靠性。

清水計量表產品特點
1、管道內無可動部件,無阻流部件,測量中幾乎沒有附加壓力損失。
2、測量結果與流速分布、流體壓力、溫度、密度、粘度等物理參數有關。
3、在現場可根據用戶實際需要在線修改量程。
4、高清晰度背光LCD顯示,全中文菜單操作,使用方便,操作簡單,易學易懂。
5、采用SMD器件和表面貼裝(SMT)技術,電路可靠性高。
6、采用16位嵌入式微處理器,運算速度快,精度高,可編程頻率低頻矩形波勵磁,提高了流量測量的穩定性,功耗低。
7、全數字量處理,抗干擾能力強,測量可靠,精度高,流量測量范圍可達150:1。超低EMI開關電源,適用電源電壓變化范圍大,抗EMI性能好。
8、內部具有三個積算器可分別顯示正向累計量及差值積算量,內部設有不掉電時鐘,可記錄16次掉電時間。(選配)
9、具有 RS485、RS232、Hart和Modbus等數字通訊信號輸出。(選配)
10、具有自檢與自論斷功能。
11、紅外手持操作器,115KHZ通訊速率,遠距離非接觸操作轉換器所有功能。(選配)
12、小時總量記錄功能,以小時為單位記錄流量總量,適用于分時計量制。(選配)
清水計量表產品概述
電磁流量計依據法拉*電磁感應定律的工作原理來測量導電液體體積流量的儀表,是流體力學和電磁學結合的產物。作為流量測量高精度儀表,其應用遍及冶金、給水、排水、石油、化工、食品、醫療、環保、農業灌溉等部門。
電磁流量計在外觀和組裝方式,還是在內部結構,都做了新的突破:棱角分明的外觀,快裝無焊接工藝,磁場分布更優的合理化結構。同時還引進了噴鋅工藝,即使在苛刻的環境下,仍能長效地保護流量計的管體表面,表面防腐性能優越,測量管內無阻流部件,無壓損,直管段要求低。對漿液測量有獨特的適應性
采用16位嵌入式微處理器,運算速度快,精度高,可編程頻率低頻矩形波礪磁,提高了流量測量的穩定性,功耗低,采用SMD器件和表面貼裝(SMT)技術,電路可靠性高,在現場可根據用戶實際需要在線修改量程,更好地與采集終端匹配,測量結果與流體壓力,溫度、密度、粘度等物理參數無關,高清晰度背光LCD顯示,全中文菜單操作,使用方便,操作簡單,易學易懂。

清水計量表的主要技術數據
| 項目 | 管道式 | 插入式 | |
| 公稱痛徑 | DN15~DN2600 | ≥DN200 | |
| 介質電導率 | ≥5μS/cm | ≥5μS/cm | |
| 基本誤差 | 0.5級,1.0級(隨口徑區分) | ±2.5%F.S | |
| 流速范圍 | 0.5~10m/s 推薦1~5m/s | 0.5~10m/s | |
| 環境溫度 | 傳感器-40℃~80℃,轉換器-15℃~50℃ | -40℃~+55℃ | |
| 介質溫度 | ≤120℃(聚4氟乙烯或F46)被測介質大于120℃時,訂貨時加以說明 | -20℃~+55℃ | |
| 連接方式 | GB/T9119-2000標準法蘭 | GB/T9119-2000標準法蘭螺紋連接,球閥規格:DN50 | |
| 工作壓力 | DN15~DN80:4.0Mpa, DN100-DN150:1.6Mpa,≥ND400:1.0Mpa,特殊規格訂貨請注明 | 0.25Mpa~4.0Mpa特殊規格訂貨時請注明 | |
| 輸出信號 | 電流輸出:4~20mADC(負載電阻0~500Ω),頻率輸出:0~1kHZ(負載電阻≥3000Ω),電壓輸出:0~5VDC | ||
| 消耗功率 | ≤15W | ≤15W | |
| 供電電源 | 交流:~220V,50Hz:直流:+24V | 交流:~220V,50Hz:直流:+24V | |
| 襯里材料 | 聚4氟乙烯;橡膠;F46;聚氟合乙烯(FS);聚氨酯橡膠 | 無 | |
| 電極材料 | 0Cr18Ni12Mo2Ti,哈氏合金B,哈氏合金C,鉭,鈦,不銹鋼涂覆碳化鎢 | ||
| 通信接口 | RS-232;RS-485;HART | RS-232;RS-485;HART | |
| 安裝形式 | 一體式;分體式 | ||
| 勵磁方式 | 低頻脈沖直流勵磁 | 低頻脈沖直流勵磁 | |
| 電氣接口 | M20×1.5螺紋 | M20×1.5螺紋 | |
清水計量表如何正確選型
儀表的選型是儀表應用中非常重要的工作,有關資料表明,儀表在實際應用中有2/3的故障是儀表的錯誤選型或錯誤的安裝而造成的,請特別注意。
收集數據:
1.被測流體成份
2.*大流量、*小流量
3.*高工作壓力
4.*高溫度、*低溫度
被測流體必須具備一定的導電性,導電率>5μS/CM
*大流量和*小流量必須符合下表中的數:

實際*高工作壓力必須小于流量計的額定工作壓力。
*高工作溫度和*低溫度必須符合流量計規定的溫度要求。
確定是否有負壓情況存在。
您可以根據上表中的流量選擇相應的流量計,若所選擇的流量計的內徑與現在工藝管道的內徑不符,應進行縮管或擴管。
若管道進行縮管,應考慮由于縮管引起的壓力損失是否會影響工藝流程。
從產品價格考慮,可以選擇較小口徑的流量計,相對減少投資。
測潔凈水時,經濟流速時1.5-3m/s,測易結晶的溶液時,應適當地提高流速,3-4m/s為宜,起到自清掃,防止粘附沉積等作用;測礦漿等磨耗性流體時,應適當降低流速,1.0-2m/s為宜,以降低對內襯和電極地磨損。實際應用很少超過7m/s,超過10m/s則更為罕見。
清水計量表選型表

清水計量表安裝地點的選擇
為了使電磁流量計工作穩定可靠,在選擇安裝地點時應注意以下幾方面的要求:
1.盡量避開鐵磁性物體及具有強電磁場的設備(大電機、大變壓器等),以免磁場影響傳感器的工作磁場和流量信號。
2.應盡量安裝在干燥通風之處,避免日曬雨淋,環境溫度應在-20~+60℃,相對濕度小于85%。
3.流量計周圍應有充裕的空間,便于安裝和維護。
安裝建議
電磁流量計的測量原理不依賴流量的特性,如果管路內有一定的湍流與漩渦產生在非測量區內(如:彎頭、切向限流或上游有半開的截止閥)則與測量無關。如果在測量區內有穩態的渦流則會影響測量的穩定性和測量的精度,這時則應采取一些措施以穩定流速分布:
a. 增加前后直管段的長度;
b. 采用一個流量穩定器;
c. 減少測量點的截面。
水平和垂直安裝
傳感器可以水平和垂直安裝,但是應該確保避免沉積物和氣泡對測量電極的影響,電極軸向保持水平為好。垂直安裝時,流體應自下而上流動。
傳感器不能安裝在管道的*高位置,這個位置容易積聚氣泡。
確保滿管安裝
確保流量傳感器在測量時,管道中充滿被測流體,不能出現非滿管狀態。 如管道存在非滿管或是出口有放空狀態,傳感器應安裝在一根虹吸管上。
彎管、閥門和泵之間的安裝
為保證測量的穩定性,應在傳感器的前后設置直管段,其長度由下圖給出。如做不到則應采用穩流器或減小測量點的截面積。
傳感器不能安裝在泵的進水口
為避免負壓,傳感器不能安裝在泵的進水口,而應安裝在泵的出水口。
傳感器的進口直管段和出口直管段
比較理想的安裝地點應選擇測量點前后有足夠的直管段。進口直管段應≥5D,出口直管段≥3D(D為傳感器公稱口徑)。
插入式進口直管段應≥ 20 D , 出口直管段≥7D(D為傳感器公稱口徑)。

上一篇:液氯計量表廠家,DN15電磁流量計,液氯用什么流量表測量
下一篇:測量海水流量計,海水流量表


